工作船喷泵
21~208 kw/28~279 hp
2000~4000 rpm
66 kg
喷泵类型 | 单级混流工作艇喷泵 |
输入功率 | 21~208 kw/28~279 hp |
输入转速 | 2000~4000 rpm |
旋转方向 | 从联轴器看顺时针 |
叶轮直径 | 220 mm |
喷口直径 | 125 mm/4.9 inch |
转向操控类型 | 机械操控 |
倒车操控类型 | 液压操控 |
倒车斗类型 | 双斗分流式倒车斗 |
喷泵壳体材质 | 铝合金 |
主轴材质 | 不锈钢 |
叶轮材质 | 不锈钢 |
单泵尺寸 | 1050x600x480 mm |
单泵包装尺寸 | 1100x650x600 mm |
单泵净重 | 66 kg |
含水重量 | 30 kg |
单泵毛重 | 92 kg |
包装箱类型 | 胶合板箱 |
原动机类型 | 柴油机或电动机 |
动力输入类型 | ISO标准万向轴SWC120型或ISO标准同尺寸法兰 |
船级社证书 | CCS |
JT232适合工作船、钓鱼船和救生艇。
请参考产品板块首页如何选择喷泵的说明来为你船选择合适的喷泵型号,或者咨询我司。
如果你选择了JT232型,请参考下方功率转速曲线来确定你的发动机/电动机转速是否和喷泵匹配
如果发动机/电动机的转速和喷泵不匹配,需要增加变速箱来调整转速或为你的项目定制合适的叶轮。可向我司咨询变速箱或定制的具体细节。
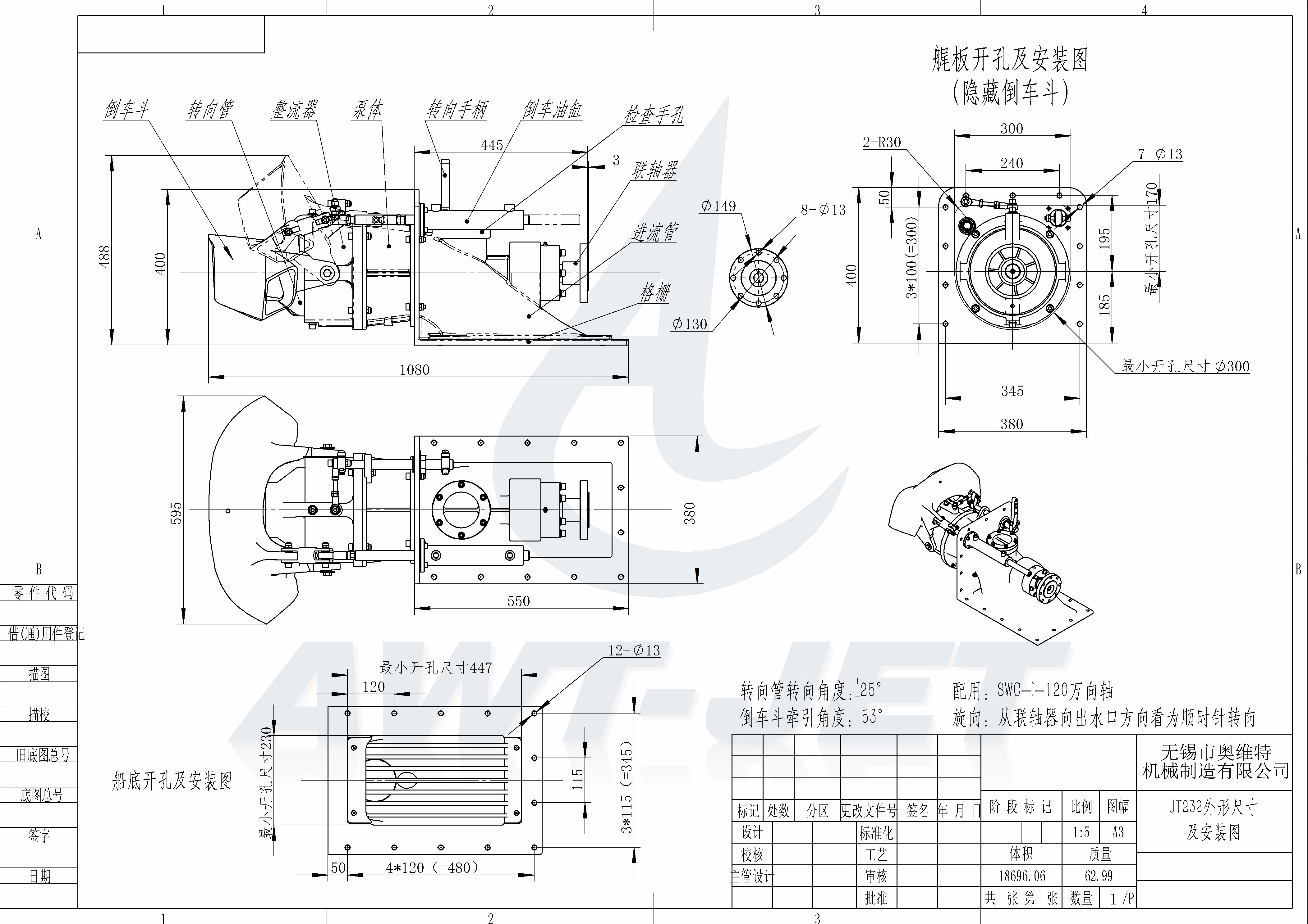
请参考下方喷泵外形尺寸图来确认喷泵尺寸是否适合你的船。
JT232采用机械转向和液压倒车操控系统。这些设备非常简单和便于安装。

如果采用单泵JT232,建议船只尺寸和重量最大不超过8米/26英尺和3吨/6614磅。如果采用双泵,建议船只尺寸和重量最大不超过9米/30英尺和6吨/13228磅。
点击下方按钮下载喷泵高清资料图片。
如需更多信息,点击下方按钮联系我们。
喷泵类型 | 单级混流工作艇喷泵 |
输入功率 | 21~208 kw/28~279 hp |
输入转速 | 2000~4000 rpm |
旋转方向 | 从联轴器看顺时针 |
叶轮直径 | 220 mm |
喷口直径 | 125 mm/4.9 inch |
转向操控类型 | 机械操控 |
倒车操控类型 | 液压操控 |
倒车斗类型 | 双斗分流式倒车斗 |
喷泵壳体材质 | 铝合金 |
主轴材质 | 不锈钢 |
叶轮材质 | 不锈钢 |
单泵尺寸 | 1050x600x480 mm |
单泵包装尺寸 | 1100x650x600 mm |
单泵净重 | 66 kg |
含水重量 | 30 kg |
单泵毛重 | 92 kg |
包装箱类型 | 胶合板箱 |
原动机类型 | 柴油机或电动机 |
动力输入类型 | ISO标准万向轴SWC120型或ISO标准同尺寸法兰 |
船级社证书 | CCS |
JT232适合工作船、钓鱼船和救生艇。
请参考产品板块首页如何选择喷泵的说明来为你船选择合适的喷泵型号,或者咨询我司。
如果你选择了JT232型,请参考下方功率转速曲线来确定你的发动机/电动机转速是否和喷泵匹配
如果发动机/电动机的转速和喷泵不匹配,需要增加变速箱来调整转速或为你的项目定制合适的叶轮。可向我司咨询变速箱或定制的具体细节。
请参考下方喷泵外形尺寸图来确认喷泵尺寸是否适合你的船。
JT232采用机械转向和液压倒车操控系统。这些设备非常简单和便于安装。

如果采用单泵JT232,建议船只尺寸和重量最大不超过8米/26英尺和3吨/6614磅。如果采用双泵,建议船只尺寸和重量最大不超过9米/30英尺和6吨/13228磅。
点击下方按钮下载喷泵高清资料图片。
如需更多信息,点击下方按钮联系我们。