运输船喷泵
57~452 kw/76~606 hp
500~1000 rpm
159 kg
喷泵类型 | 单级轴流运输船喷泵 |
输入功率 | 57~452 kw/76~606 hp |
输入转速 | 500~1000 rpm |
旋转方向 | 从联轴器看逆时针 |
叶轮直径 | 650 mm |
喷口直径 | 566 mm/22.3 inch |
转向操控类型 | 无 |
倒车操控类型 | 反转 |
倒车斗类型 | 无 |
喷泵壳体材质 | 铝合金 |
主轴材质 | 不锈钢 |
叶轮材质 | 铝青铜 |
单泵尺寸 | 710x710x970 mm |
单泵包装尺寸 | 820x820x1080 mm |
单泵净重 | 159 kg |
含水重量 | 0 kg |
单泵毛重 | 202 kg |
包装箱类型 | 胶合板箱 |
原动机类型 | 柴油机或电动机 |
动力输入类型 | Ф194定制尺寸法兰 |
船级社证书 | 无 |
JT650适合工作船、驳船和运输船。
请参考产品板块首页如何选择喷泵的说明来为你船选择合适的喷泵型号,或者咨询我司。
如果你选择了JT650型,请参考下方功率转速曲线来确定你的发动机/电动机转速是否和喷泵匹配。
如果发动机/电动机的转速和喷泵不匹配,需要增加变速箱来调整转速或为你的项目定制合适的叶轮。可向我司咨询变速箱或定制的具体细节。
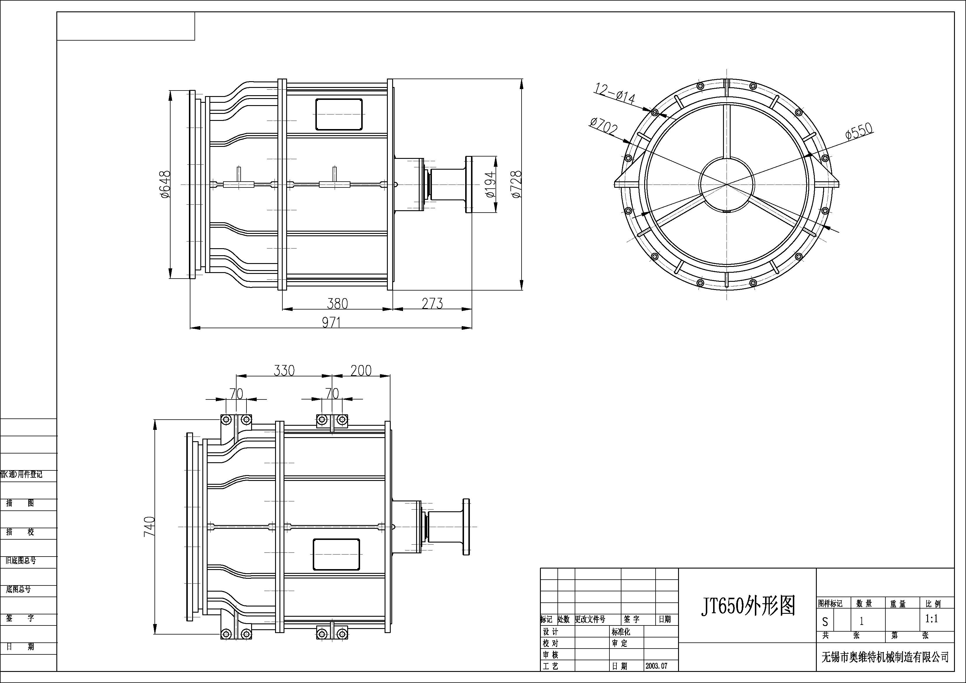
请参考下方喷泵外形尺寸图来确认喷泵尺寸是否适合你的船。
JT650没有转向功能,你需要在船上安装舵或安装两台喷泵来实现转向功能。如果齿轮箱有反转功能,可以让喷泵反转来实现倒车功能。同时齿轮箱需要有推力轴承承受喷泵传递过来的推力。
如果采用单泵JT650,建议船只尺寸和重量最大不超过10米/33英尺和10吨/220465磅。如果采用双泵,建议船只尺寸和重量最大不超过20米/66英尺和20吨/44092磅。
点击下方按钮下载喷泵高清资料图片。
如需更多信息,点击下方按钮联系我们。
喷泵类型 | 单级轴流运输船喷泵 |
输入功率 | 57~452 kw/76~606 hp |
输入转速 | 500~1000 rpm |
旋转方向 | 从联轴器看逆时针 |
叶轮直径 | 650 mm |
喷口直径 | 566 mm/22.3 inch |
转向操控类型 | 无 |
倒车操控类型 | 反转 |
倒车斗类型 | 无 |
喷泵壳体材质 | 铝合金 |
主轴材质 | 不锈钢 |
叶轮材质 | 铝青铜 |
单泵尺寸 | 710x710x970 mm |
单泵包装尺寸 | 820x820x1080 mm |
单泵净重 | 159 kg |
含水重量 | 0 kg |
单泵毛重 | 202 kg |
包装箱类型 | 胶合板箱 |
原动机类型 | 柴油机或电动机 |
动力输入类型 | Ф194定制尺寸法兰 |
船级社证书 | 无 |
JT650适合工作船、驳船和运输船。
请参考产品板块首页如何选择喷泵的说明来为你船选择合适的喷泵型号,或者咨询我司。
如果你选择了JT650型,请参考下方功率转速曲线来确定你的发动机/电动机转速是否和喷泵匹配。
如果发动机/电动机的转速和喷泵不匹配,需要增加变速箱来调整转速或为你的项目定制合适的叶轮。可向我司咨询变速箱或定制的具体细节。
请参考下方喷泵外形尺寸图来确认喷泵尺寸是否适合你的船。
JT650没有转向功能,你需要在船上安装舵或安装两台喷泵来实现转向功能。如果齿轮箱有反转功能,可以让喷泵反转来实现倒车功能。同时齿轮箱需要有推力轴承承受喷泵传递过来的推力。
如果采用单泵JT650,建议船只尺寸和重量最大不超过10米/33英尺和10吨/220465磅。如果采用双泵,建议船只尺寸和重量最大不超过20米/66英尺和20吨/44092磅。
点击下方按钮下载喷泵高清资料图片。
如需更多信息,点击下方按钮联系我们。